Характеристики
									
															Внесен в ГосРеестр																													
														—
														
																															Нет																													
													
															Тип аксессуара																													
														—
														
																															Опция программная																													
													
                                    Цена по запросу                                
                                                    Уточняйте наличие
																									
																												Нашли дешевле?
													
																							
														
															Под заказ
												Наши менеджеры обязательно свяжутся с вами и уточнят условия заказа
														
													
											Хочу в подарок
										
									
																							Самовывоз сегодня - бесплатно
Доставка курьером от 1 дня - от 500 ₽
									Доставка курьером от 1 дня - от 500 ₽
					Цена действительна только для интернет-магазина и может отличаться от цен в розничных магазинах
* Производитель в праве изменять характеристики, внешний вид, комплектацию и место производства без уведомления дилера
			* Производитель в праве изменять характеристики, внешний вид, комплектацию и место производства без уведомления дилера
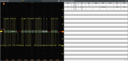
Программная опция DS70000-USBA активирует в осциллографах RIGOL серии DS70000 возможность декодирования и анализа сигналов последовательной шины передачи данных USB2.0.
Протокол USB2.0 поддерживает обмен данными между хостом и несколькими периферийными устройствами.
Декодирование и анализ сигналов стандарта USB2.0 доступно во всех аналоговых каналах CH-1 ~ CH4.
Результаты анализа декодированного протокола USB2.0 отображаются в таблице событий (USB2.0 Decoding Event Table), их можно использовать для обнаружения ошибок, отладки аппаратного обеспечения и ускорения разработки, что позволяет быстро и качественно выполнять инженерные проекты.
 
													 
													 
													 
													 
													 
													 
													 
													 
													 
													 
													 
													 
													 
													 
													 
													 
													 
													 
													 
													 
													 
													 
													 
													 
													 
													 
													 
													 
													 
													 
													 
													 
													 
													 
													 
													 
													 
													 
													
 
													 
													 
													 
													 
													 
													
 
													 
													 
													 
													 
													 
													
 
													 
													 
													 
													 
													 
													 
													 
													 
													 
													 
													 
													 
													 
													 
													 
													 
													 
													 
													 
													 
													 
													 
													 
													 
													 
													 
													 
													 
													 
													
 
											